Cheie cu stifturi articulatie portanta pentru Mercedes-Benz-M-Klasse
5420
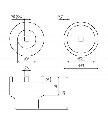
pentru Mercedes-Benz clasa M W163 pana In iunie 2005 respectiv W164 Incepand cu 2005Inlocuire profesionala a articulatiei portante a osiei din fata si osiei din spatefaciliteaza desfacerea respectiv strangerea cu momentul corect al contrapiulitelor de la articulatiile portanteadecvat pentru articulatiile portante inferioare la osiile fata si spateActionare 3/4\"
Achizitii SEAP
